earth_america
user_standard Log on
action_search_stroke
earth_america
Log on to rate and give feedback 1 2 3 4 5 Log on to rate
0
Concept

Concept


Products: AO-8, AO-V-8, AS-P-3, DI-16, DO-FA-12, DO-FC-8, RTD-DI-16, UI-16, UI-8/AO-4, UI-8/AO-4 v2, UI-8/AO-V-4, UI-8/AO-V-4 v2, UI-8/DO-FC-4, UI-8/DO-FC-4 v2
Functionalities: Hardware
Product version: 7.0
9/22/2025

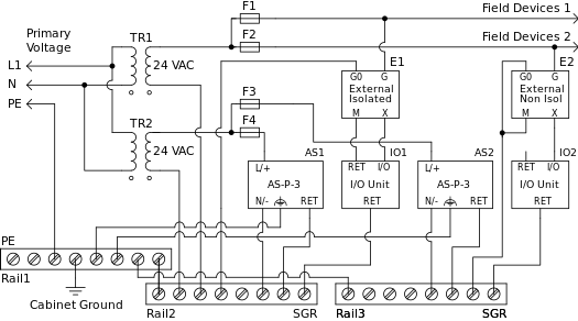
Grounding and Power for Systems with AS-P-3 Servers and Central IO Modules

This section provides grounding and power recommendations for system configurations with AS-P-3 Servers and Central IO Modules.

Use the following recommendations to design a good working system:

  • It is preferable to have one signal ground rail long enough to cover all signal ground connections. If several ground rails are used, connect them in a tree configuration with wires of at least 4 mm 2 copper areas. This corresponds to AWG 12.

  • Connect at least one RET terminal from every AS-P-3 server to the signal ground rail (SGR) using a 2.5 mm² (13 AWG) or larger wire.

  • Connect at least one RET terminal from every Central IO module to the signal ground rail (SGR) using a 1.3 mm² (16 AWG) or larger wire. This recommendation applies to all Central IO modules, except those equipped only with digital outputs.

  • Connect the root of the signal ground tree to cabinet ground and protective earth (PE).

  • Connect the signal output (Y-terminals) from external devices such as transmitters to the universal inputs.

    For isolated devices, connect the signal common from the transmitter to the corresponding RET terminal on the same Central IO module as the universal input.

    For non-isolated devices, connect the signal common from the transmitter to the SGR in the panel.

  • Connect the signal input (X-terminals) of external devices such as actuators to the analog outputs.

    For isolated devices, connect the signal common from the actuator to the corresponding RET terminal on the same Central IO module as the analog output.

    For non-isolated devices, connect the signal common from the actuator to the SGR in the panel.

  • Connect the G0 (Power Ground/Common) of external devices, such as actuators and transmitters, to the SGR in the panel.

  • Connect thermistors to the universal inputs and corresponding RET terminals on the same Central IO module as the universal inputs.

  • One or several 24 V power transformers can be used to supply the system.

  • Connect different loads to different fuses in order to limit short circuit currents, but keep in mind that some of the signal ground wires will carry the sum of all load currents.

  • Use different fuses for connecting the current limited power source to the AS-P-3 servers than for connecting the current limited power source to the field devices.

  • For UL listing compliance (Class 2 power), the fuses (circuit breakers) must be rated not more than 4 A. For other regions that do not require UL compliance, fuses (circuit breakers) may be rated up to 6 A.

  • For UL compliance, a UL Class 2 (100 VA or less) transformer may be used instead of the fuse/breaker limited transformer arrangement shown.

 
action_zoom_plus_stroke System configuration with AS-P-3 servers and Central IO modules
Figure: System configuration with AS-P-3 servers and Central IO modules
  • I/O Wiring
  • Grounding and Power
  • AS-P-3 Servers
  • Central IO Modules